一、 竞赛技术文件制定标准
按照《中华人民共和国焊工国家职业技能标准》中级工为基础,并结合企业生产和学校教学实际制定。
二、 命题原则
按照国家职业技能标准,注重基本技能,结合生产实际,考核职业综合能力,并对技能人才培养起到示范指导作用。
三、 竞赛内容、形式和成绩计算
(一)竞赛内容
本次竞赛分理论考试(60分钟)和进行实际操作(40分钟)两部分。
(二)竞赛形式
采用单人竞赛形式,独立完成规定的工作任务。
(三)成绩统计
1.理论竞赛:满分100分。
2.实操竞赛:满分100分。
3.总分按百分制计。其中,理论占30%,实操占70%。计算公式如下:
总分=理论成绩×30%+实操成绩×70% 。
四、操作项目说明
实际操作竞赛以操作技能为主,操作规范及安全文明生产在实际操作竞赛过程中进行考核。
1.竞赛时间
实际操作竞赛总时间40分钟。
2.考核评分
参照国家职业技能标准焊工中级技能操作要求,依据选手完成工作任务的情况,按照考核标准进行评分。评分方式采用过程评价与结果评价相结合,工艺评价与功能评价相结合,能力评价与职业素养评价相结合。
五、赛场与设施
1.赛场:绵阳职业技术学院焊工实训车间
2.比赛使用设备由大赛组委会统一安排提供。
六、焊工操作竞赛规则
理论考试注意事项:考试前10分钟,当参赛选手按大赛组委会规定时间到达指定考场,凭学生证和身份证(两证必须齐全)进入考场。
机床操作现场注意事项:比赛前30分钟,当日批次参赛选手按大赛组委会规定时间到达指定地点,凭学生证和身份证(两证必须齐全)进入赛场。并注意以下事项:
1.参赛选手进入操作比赛现场,应听从现场工作人员的指挥。所有进入现场的人员(包括裁判、工作人员)不允许使用手机。
2.参赛选手必须遵守本工种的工艺守则、安全操作规程。
3.参赛选手进入比赛现场,由竞赛组委会组织本批次参赛选手抽取参赛号并由各参赛选手对抽签结果签字确认。然后按抽取的参赛号,进行竞赛前的各项准备工作。填写各种卡片,竞赛裁判组将对各参赛选手的身份和填写资料进行检查。
4.在竞赛开始的同时,由竞赛裁判组分发图纸,同时开始比赛计时。竞赛时间为40分钟。
5.各参赛选手对参赛物资应爱护、保养、保管,防止丢失。损坏的物资必须有实物在,丢失的参赛物资要照价赔偿。
6.各参赛选手必须在确保人身安全和设备安全的前提下,进行安全检查,经裁判组完全同意后,才可以进行实际加工。
7.各参赛选手必须严格按工艺守则和安全操作规程进行操作,一旦出现较严重的安全事故,大赛裁判组将立即取消参赛资格。
8.竞赛过程中,大赛裁判组将考核各位参赛选手的安全文明操作情况。出现非安全文明操作的要作好记录,并在成绩评定中酌情扣分。
9.竞赛过程中,参赛选手不能更换毛坯,也不能相互借用工、夹、量具。各参赛选手之间不能走动、交谈。
10.竞赛过程中出现设备故障等问题时,参赛选手应提请竞赛工作人员到参赛处进行确认原因,对于确因设备故障停机耽搁的时间,由大赛裁判组将该选手的参赛时间酌情后延。
11.在竞赛时间(40分钟)结束前2分钟,裁判提示各参赛选手,各参赛选手应准备停止加工。参赛选手应进行现场的相关清理工作。竞赛时间到后,各参赛选手应立即停机。未停机者将酌情扣分。
12.参赛选手完成加工决定交卷时,应提请竞赛裁判组成员到参赛处收取工件。同时,参赛选手在裁判员记录的竞赛情况记录表上签字确认,裁判员并用密封纸对实物进行密封。
(1)参赛选手完成加工交卷和工具交接后,应对参赛现场进行清扫。
(2)经大赛裁判组成员检查许可后,参赛选手方能离开参赛现场。
(3)大赛期间(包括两批次之间的间隔时间),除大赛组委会成员、大赛裁判组成员。赛场工作人员外,其余人员一律不得进入竞赛现场。
附件一竞赛样题
附件二竞赛题样评分表
机电工程系焊工技能大赛组委会
2016年11月28日
附件一: 焊工技能大赛实操样题
(注:材料由竞赛现场准备)
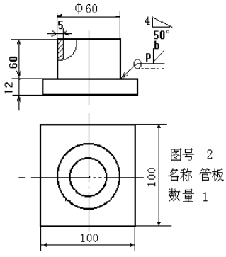
1、试题名称:
低合金钢管板(骑座式)垂直府位手弧焊
2、试题文字或图表的技术说明:
(1)要求单面焊双面成形。
(2)钝边、间隙自定。
(3)焊条直径自选。
附件二 : 焊工技能大赛评分表
姓 名
|
| 考 号
|
| 得分
|
|
管、板材质规格
|
| 焊接位置
|
| 总扣分
|
|
外
|
| 序号
| 缺陷名称
| 合格标准
| 缺陷
状况
| 合格范围内的扣分标准
| 扣分
|
|
| 外
| 1
| 裂纹、焊瘤、未熔合
| 不允许
|
|
|
|
观
|
| 2
| 咬边
| 深度≤0.5mm,两侧咬边总长不超过焊缝长度的20%
|
| 按缺陷长度比例扣1-8分
|
|
检
| 观
| 3
| 未焊透
| 深度≤15%S且≤1.5mm,长度不超过焊缝长度的10%,(氩弧焊打底不允许未焊透)
|
| 按缺陷长度比例扣1-5分
|
|
|
| 缺
| 4
| 背面凹坑
| 深度≤25%S且≤1mm,长度不超过焊缝长度的10%
|
| 按缺陷长度比例扣1-4分
|
|
|
| 陷
| 5
| 表面气孔
| 允许≤0.3S的气孔4个
|
| 每个扣2分
|
|
查
|
| 6
| 夹 渣
| 深≤1mm,长≤1.5mm不超过3个
|
| 每个扣2分
|
|
|
| 外
形
| 序
号
| 名称
| 合格标准
| 实测
尺寸
| 合格范围内
的扣分标准
|
|
| 尺
| 1
| 焊脚尺寸
| S+(3~6)mm
|
| 不扣分
|
|
| 寸
| 2
| 焊脚凸凹度
| ≤1.5mm
|
| 不扣分
|
|
| 通球
| 合 格 标 准
| 检 验 结 果
|
|
| 检验
| 顺 利 通 过 为 合 格
|
|
|
| 序号
| 缺陷名称
| 合格标准
| 缺陷
状况
| 合格范围内
的扣分标准
| 扣
分
|
宏
| 1
| 裂纹、未熔合
| 不允许
|
|
|
|
观
|
|
| >1.5mm不允许
|
|
|
|
金
相
检
| 2
| 气孔或
夹渣尺寸
| >0.5mm且≤1.5mm,允许1个
|
| 每发现一个符合该缺陷范围的检查面扣3分
|
|
验
|
|
| ≤0.5mm,允许3个
|
| 每发现一个符合该缺陷范围的检查面扣3分
|
|