教学科研

教学工作

当前位置: 首页   >> 教学科研   >> 教学工作   >> 正文

2016年机电工程系车工技能大赛实施方案

发布时间:2016年12月02日来源: 作者:机电工程系

一、 竞赛技术文件制定标准

按照《中华人民共和国车工国家职业技能标准》中级工为基础,并结合企业生产和高职学校教学实际制定。

二、 命题原则

按照国家职业技能标准,注重基本技能,结合生产实际,考核职业综合能力,并对技能人才培养起到示范指导作用。

三、 竞赛内容、形式和成绩计算

(一) 竞赛内容

本次竞赛分为理论考试(60分钟)和实际操作(120分钟)两个部分。

(二) 竞赛形式

采用单人竞赛形式,独立完成规定的工作任务。

(三) 成绩统计

竞赛满分为100分。理论考试占30%,实际操作占70%。

四、操作项目说明

理论测试已车工及相关领域理论及实践基础知识为主,实际操作竞赛以操作技能为主,操作规范及安全文明生产在实际操作竞赛过程中进行考核。

1.竞赛时间

理论测试竞赛总时间60分钟。

实际操作竞赛总时间120分钟。

2.实际考核评分

参照国家职业技能标准车工中级技能操作要求,依据选手完成工作任务的情况,按照考核标准进行评分。评分方式采用过程评价与结果评价相结合,工艺评价与功能评价相结合,能力评价与职业素养评价相结合。

、赛场与设施

1.赛场:绵阳职业技术学院机加工实训车间

理论考场:精业楼

2.比赛使用设备由大赛组委会统一安排提供。车床:大连机床厂。

3.比赛用材料为45#圆钢,竞赛所用刀具、量具由竞赛组委会提供。

实际操作竞赛规则

理论考试注意事项:考试前10分钟,当参赛选手按大赛组委会规定时间到达指定考场,凭学生证和身份证(两证必须齐全)进入考场。

机床操作现场注意事项:比赛前30分钟,当日批次参赛选手按大赛组委会规定时间到达指定地点,凭学生证和身份证(两证必须齐全)进入赛场。并注意以下事项:

1.参赛选手进入操作比赛现场,应听从现场工作人员的指挥。所有进入现场的人员(包括裁判、工作人员)不允许使用手机。

2.参赛选手必须遵守本工种的工艺守则、车床安全操作规程。

3.参赛选手进入比赛现场,由竞赛组委会组织本批次参赛选手抽取机床号并由各参赛选手对抽签结果签字确认。然后按抽取的机床号,进行竞赛前的各项准备工作。填写各种卡片,竞赛裁判组将对各参赛选手的身份和填写资料进行检查。

4.在竞赛开始的同时,由竞赛裁判组分发图纸,同时开始比赛计时。竞赛时间为120分钟。

5.各参赛选手对参赛物资应爱护、保养、保管,防止丢失。损坏的物资必须有实物在,丢失的参赛物资要照价赔偿。

6.各参赛选手必须在确保人身安全和设备安全的前提下,开动机床。开动机床前,必须举手要求值裁本机床的裁判对机床状况和编制的加工程序进行安全检查,完全同意后,才可以开动机床进行实际加工。

7.各参赛选手必须严格按工艺守则和机床操作规程进行操作,一旦出现较严重的安全事故(如撞刀、加工过程中工件掉落、机床各部件之间的干涉等情况),大赛裁判组将立即取消参赛资格。

8.竞赛过程中,大赛裁判组将考核各位参赛选手的安全文明操作情况和加工工艺应用情况。出现非安全文明操作的要作好记录,并在成绩评定中酌情扣分。

9.竞赛过程中,参赛选手不能更换毛坯,也不能相互借用工、夹、量具。各参赛选手之间不能走动、交谈。

10.竞赛过程中出现机床故障等设备问题时,参赛选手应提请竞赛工作人员到参赛机床处进行确认原因,对于确因设备故障停机耽搁的时间,由大赛裁判组将该选手的参赛时间酌情后延。

11.在竞赛时间(120分钟)结束前10分钟,裁判提示各参赛选手,各参赛选手应准备停止加工。参赛选手应进行机床的相关清理工作(如:将机床各执行部件停止在适当的位置、卸下工件、切断机床电源等)。竞赛时间到后,各参赛选手应立即停机。未停机者将酌情扣分,工作人员将退出刀具,强制停机。

12.参赛选手完成加工决定交卷时,应提请竞赛裁判组成员到参赛机床处收取工件。同时,参赛选手在裁判员记录的竞赛情况记录表上签字确认,裁判员并用密封纸对实物进行密封,装入专用密封袋。

(1)参赛选手完成加工交卷和工具交接后,应对参赛机床进行清扫,对使用的机床附件进行回位。

(2)经大赛裁判组成员检查许可后,参赛选手方能离开参赛现场。

(3)大赛期间(包括两批次之间的间隔时间),除大赛组委会成员、大赛裁判组成员。赛场工作人员外,其余人员一律不得进入竞赛现场。

附件一竞赛样题

附件二竞赛题样评分表

附件三工量具清单

附件四竞赛评分说明

机电工程系车工技能大赛组委会

2016年11月28日

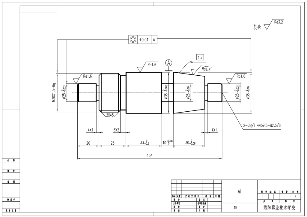
附件一: 车工技能大赛实操样题

(注:材料由竞赛现场准备)

实际操作零件图

附件二 : 车工技能大赛竞赛评分表

附件三 :车工技能大赛工量具清单

类别

序号

名称

型号或加工范围

数量

备注

设备

1

车床

大连机床厂CA6140

8

2

三爪卡盘

1

卡盘Φ160

卡盘孔直径:

φ38

刀具

1

外圆车刀

1

2

切槽、切断刀

刃宽≤2

1

3

外螺纹车刀

P=2

1

量具

1

游标卡尺

0-150mm

1

2

深度卡尺

0~100mm

1

精度0.01mm

3

螺纹千分尺、螺纹塞规、螺纹环规

M20×2

各1

4

外径千分尺

0—25,25—50

各1

附件四 : 车工技能大赛操作竞赛评分说明

未注公差尺寸按IT14标准加工和检验。

赛件加工表面沿周边1mm处,不作检验要求。

棱角应倒钝,未注圆角R≤0.2mm。

赛件有严重不符合图纸要求或严重缺陷的情况时,应扣除有关项目配分。

在加工过程中,发现参赛者使用专用夹具、成形刀具或二类工具则赛件按零分计。

选手竞赛违反安全技术操作规程时,现场裁判需将违规现象记录在册,并由选手签名确认,扣分情况由现场裁判组决定。

未尽事宜,由现场裁判组裁决。

机电工程系车工技能大赛组委会